Cette Honda 125XLs achetée neuve en janvier 1980 aura été ma première moto, et donc celle qui m'aura définitivement inoculé le virus...
Premiers virons, premières saucées, premières offrandes à Ste Gamelle sur du gazoil, puis sur une plaque de verglas, premiers signes aux motards qu'on croise, premier "long" trajet de 950km (A/R quand même) dont 850 par l'autoroute (!!)...
Bref, LA premiere moto, celle qu'on n'oubliera jamais, en tout cas encore moins que les autres...
On me l'a volée moins de six mois après l'achat...
Photos prises lors de mon premier "long" viron d'apprenti motard On notera l'équipement spécial motard : Seuls le casque et les gants sont adaptés... ;-) Pour ceux que ça peut intéresser, j'ajoute une publicité datée de Mai 1980 (et laborieusement extraite de mes archives). pour le casque en question que vous aurez tous reconnus, il s'agit bien sur d'un splendide NAVA 2 acheté (de mémoire) à la FNAC SPORT de Châtelet les Halles (à Paris), branche disparue depuis...
|
|
|
Honda XL125S
|
|
|
Publicités pour la Honda XL125S
|
|
|
Documentation Honda
|
|
Moto Journal Hors Série spécial essais 1986 Fiche de la 125 XLS
|
|
Moto Journal Hors Série spécial essais 1987 Fiche de la 125 XLS
|
|
Moto Légende N°263 2015 Match Honda 125 XLS / Yamaha 125 DTMX. Des petits trails aux grandes ambitions
|
|
|
Quelques unes des revues techniques concernant la 125 XLS. Celle présentée en cuverture de la RMT N°34 correspont très exactement au modèle que j'ai podssédé.
|
|
| PARTIE CYCLE |
Cadre : |
Type Simple berceau interrompu diamant
Angle de chasse 62°10'
Trainée 122 mm
|
| |
Suspension : |
Avant :
Téléscopique Hydraulique
Débattement 200 mm
Diamètre 37 mm
Capacité d'huile (cm3) 150
Arrière :
Bras oscillant (2 amortisseurs)
Débattement 165 mm
Flèche de la chaîne secondaire 30 à 40 mm
|
| DIMENSIONS / CAPACITES |
Roues : |
Avant :
2.75 x 21 4 PR
Pression à froid : Solo/Duo 1.5 bar
Arrière :
Dimensions 4.10 x 18 4 PR
Pression à froid : Solo/Duo 1.5/1.75 bar
|
| |
Réservoir d'essence : |
Capacité : 7.5 litres
dont de réserve : 1.5 litre
|
| MOTEUR |
Type : |
Monocylindre Vertical 4 Temps Refroidi par air |
| |
Puissance : |
13 CH à 9500 tr/mn |
| |
Couple : |
1.05 mkg à 8000 tr/mn |
| |
Rapport volumétrique : |
9.4 : 1 |
| |
Système de démarrage : |
Kick, starter au guidon |
| |
Distribution : |
SOHC
tension chaîne au ralenti Compression 12.5 kg/cm2
|
| |
Lubrification : |
Type Sous pression carter humide
Capacité d'huile (litre) : Après démontage 1.1, après vidange 0.9
Huile préconisée 10W40
|
| |
Transmission : |
Embrayage : Multidisques humides
Boîte de vitesse : 6 rapports en prise constante
Rapport Démultiplication Secondaire : 3.357 (14/47)
|
| |
Carburation : |
Diamètre : 22 mm
Filtre à air : Mousse polyuréthane huilée
Régime de ralenti : 1300 tr/mn
|
| ELECTRICITÉ |
Allumage : |
AC / CDI
|
| |
Avance |
Initiale : (repère F) 10°
Maximum Centrifuge : 34° à 3400 tr/mn
|
| |
Bougie |
Réf : N.G.K / N.D / STD / 5° C DR8ESL / X24ESR-U
Écartement des électrodes 0.6 / 0.7 mm
|
| |
Alternateur |
Puissance/Type 90 W à 5000 tr/mn monophasé
|
| |
Batterie |
6V / 4 Ah
|
| |
Régulateur |
Alternatif : 6.7 à 7.7 V à 5000 tr/mn
Régulateur Redresseur : Redresseur en pont uniquement
|
| |
Fusible |
Principal 10 A
|
 |
 |
| Moteur et circuit de lubrification |
Courbes couple et puissance |
 |
 |
 |
| Schéma Electrique |
Schéma Allumage |
Schéma Eclairage - Charge |
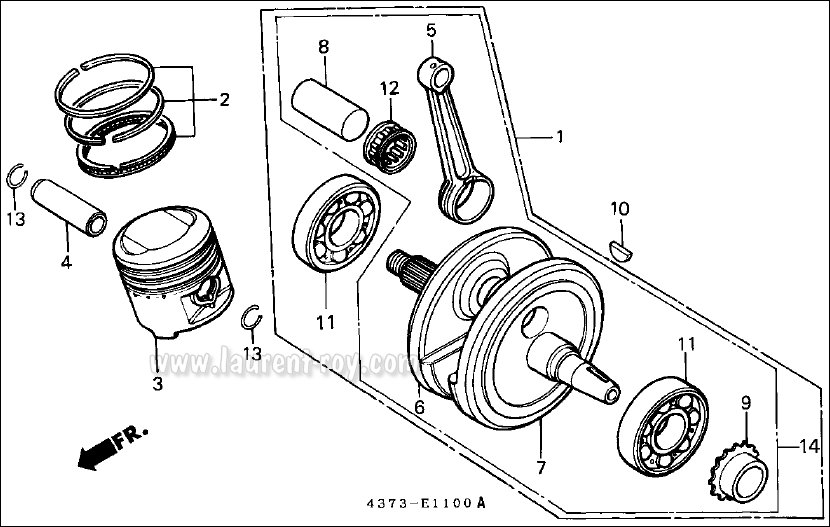
Moteur
Partie Cycle
Equipement et Carrosserie
Equipement Electrique
|
Partie cycle
Moteur
Electricité
|
 Cette création par Laurent Roy est mise à disposition selon les termes de la licence Creative Commons Paternité-Pas d'Utilisation Commerciale-Pas de Modification 2.0 France. Basé(e) sur une oeuvre à www.laurent-roy.com. Les autorisations au-delà du champ de cette licence peuvent être obtenues à http://www.laurent-roy.com.
Dernière modif de ce fichier:
|
|